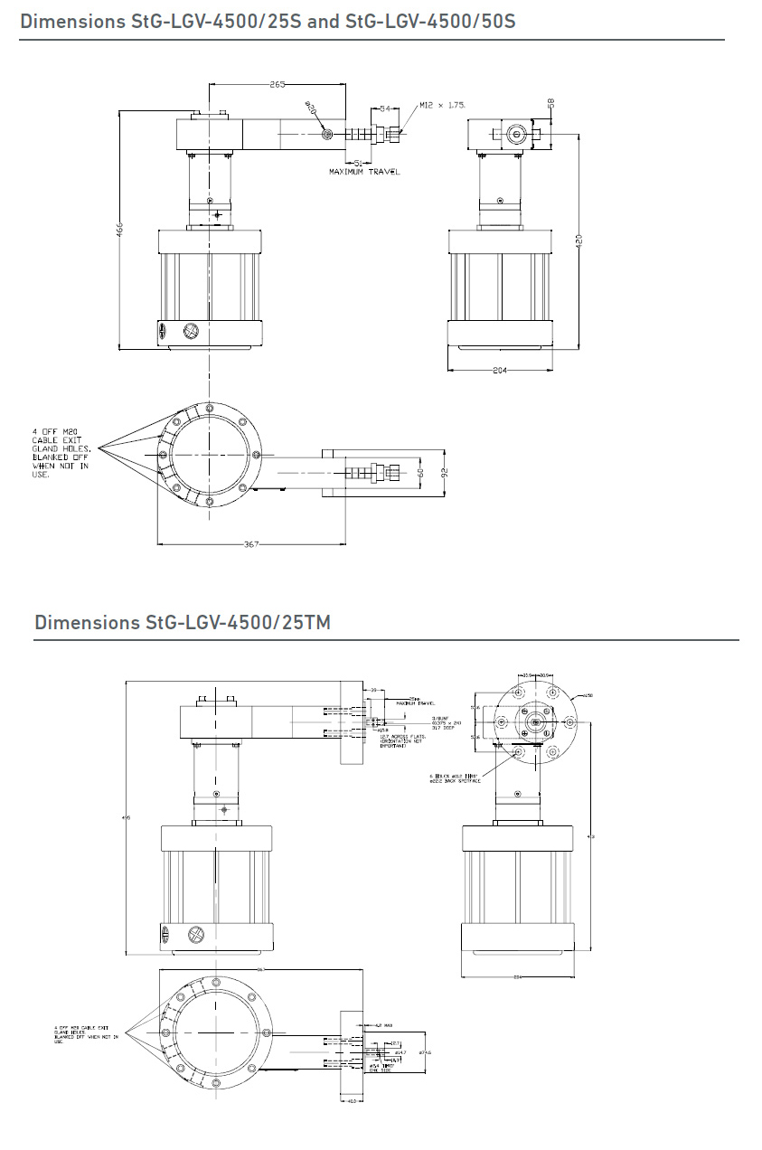
Gas Turbine air control is necessary to meet the emission requirements for operational GTs. Heinzmann designs and develops rotary and linear actuators to provide turning or linear force to move VIGV, VGV and other systems used to improve the starting reliability and load flexibility of gas turbines. The tighter demands of necessary emission control call for highly accurate and responsive rotary and linear actuation.
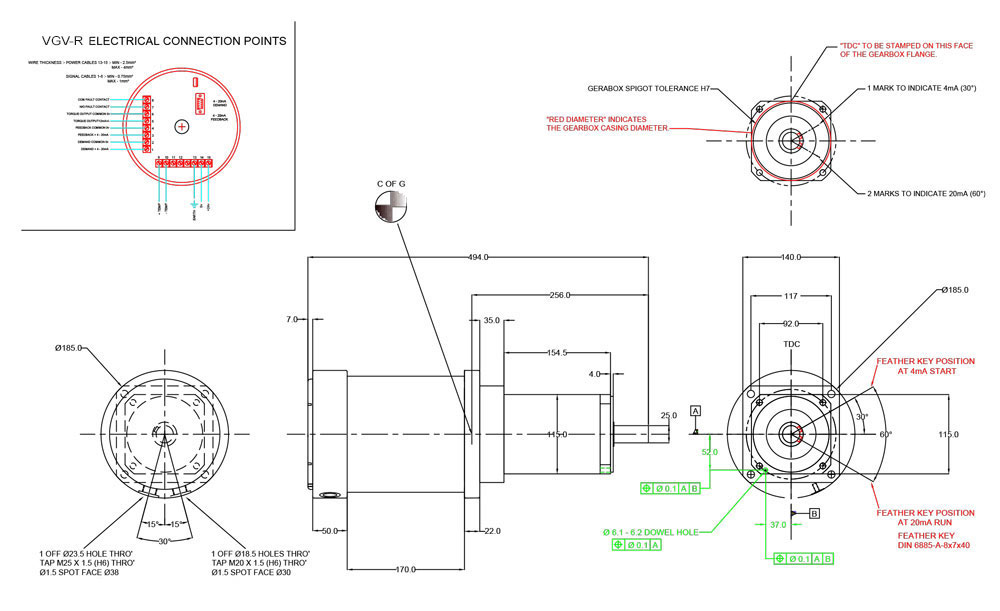
VGV or VIGV control is vital, with OEMs adding multiple independent drives. Air bleed for compressor control and anti icing is vital.
